Summary
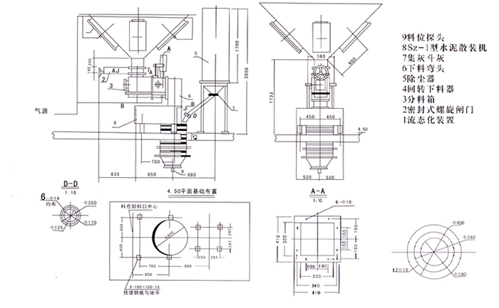
Type Sz train and automobile bulk machine is mainly used for bulk cement,building materials, metallurgy, coal, chemical, food and other departments
The powdery material handling vehicle (ship). This series of products for nine three years by the provincial new product appraisal, nine four were rated asoutstanding new province
Products Jinniu award, outstanding new product gold. Technical indicators have reached the level of similar international products. This machine has the automatic control
System, discharge capacity, no dust pollution, material characteristics, has the advantages of simple structure, reliable full instructions and low cost etc..



|